Пневмораспределители с односторонним пневматическим управлением типа 3Р-4(6;10;16)-211-3; 3Р-4(6;10;16)-213-3
Распределители 3-х линейные с условным проходом (Ду) 4;6;10;16 мм двухпозиционные с односторонним пневматическим управлением, пружинным или пневматическим возвратом в исходное положение предназначены для изменения направления потоков сжатого воздуха в пневмоприводах различного назначения.
При оформлении заказа в Комментариях укажите
1) условный проход, мм 4 , 6, 10, 16
2) тип присоединения: G1/8, G1/4, G3/8, G1/2.
Цену на товар вышлем ответным письмом или узнавайте по телефону.
Конструкция распределительного устройства: цилиндрический золотник.
Присоединение: резьбовые отверстия в корпусе распределителя.
Рабочая среда - сжатый воздух, очищенный не грубее 10 класса загрязненности по ГОСТ 17433, содержащий распыленное масло вязкостью 10…35 мм2 /с (сСт) при температуре 50°С.
Климатическое исполнение УХЛ и О, категория размещения 4 по ГОСТ 15150.
В качестве распределительного органа используется цилиндрический золотник с эластичными уплотнениями, который размещен в корпусе, с каналами и резьбовыми отверстиями для подсоединения внешних пневмолиний. Распределители с односторонним управлением изготавливаются в нормально-закрытом (НЗ) и нормально-открытом (НО) исполнении. В исходном положении золотник удерживается пружиной: - для НЗ исполнения канал питания отсечен от выходного канала (2), который соединен с атмосферным; - для НО исполнения канал питания соединен с каналом (2), атмосферный отсечен. Цифры, заключенные в скобки, соответствуют маркировке отверстий на изделии и нумерации каналов на условном графическом обозначении. 
Для снижения уровня шума при сбросе сжатого воздуха в атмосферу рекомендуется установить в канал (3) пневмоглушитель. Золотник перемещается из исходного положения в другое при подаче давления управления в канал (12). При этом выходной канал (2), в зависимости от исполнения, соединяется с атмосферой или с каналом питания. При снятии давления управления, золотник возвращается в исходное положение. В распределителях схемного исполнения: - 211 - возврат и удержание золотника в исходном положении осуществляется усилием от давления в полости управления, которая соединена с каналом питания (1) распределителя; - 213 - возврат и удержание золотника в исходном положении осуществляется пружиной. При монтаже распределители крепятся двумя винтами через отверстия в корпусе.
Технические характеристики пневмораспределителей 3Р-4-211-3; 3Р-6-211-3; 3Р-10-211-3; 3Р-16-211-3; 3Р-4-213-3; 3Р-6-213-3; 3Р-10-213; 3Р-16-213-3
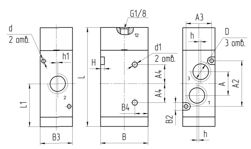
Габаритные и присоединительные размеры пневмораспределителей
Пневмораспределители 3Р-4-211-3; 3Р-6-211-3; 3Р-10-211-3; 3Р-16-211-3; 3Р-4-213-3; 3Р-6-213-3; 3Р-10-213; 3Р-16-213-3

Размеры

Структурная схема обозначения пневмораспределителей 3Р-4-211-3; 3Р-6-211-3; 3Р-10-211-3; 3Р-16-211-3; 3Р-4-213-3; 3Р-6-213-3; 3Р-10-213; 3Р-16-213-3




























