Пневмораспределители 3Р-4 (6;10;16)-233-3 с односторонним электропневматическим управлением
Распределители 3-х-линейные с условным проходом (Ду) 4;6;10;16 мм двухпозиционные с односторонним электропневматическим управлением, пружинным или пневматическим возвратом в исходное положение предназначены для изменения направления потоков сжатого воздуха в пневмоприводах различного назначения.
Конструкция распределительного устройства: цилиндрический золотник.
Присоединение: резьбовые отверстия в корпусе распределителя.
Рабочая среда - сжатый воздух, очищенный не грубее 10 класса загрязненности по ГОСТ 17433 содержащий распыленное масло вязкостью от 10 до 35 мм2 /с (сСт) при температуре 50°С. Климатическое исполнение УХЛ и О, категория размещения 4 по ГОСТ 15150.
В качестве управляющего распределителя используется один трехлинейный пневмораспределитель с электромагнитным управлением (клапан пилот), который присоединяется к сети через электроконтактный разъем. Клапан-пилот имеет устройство для ручного дублирования электрического сигнала. Степень защиты, обеспечиваемая оболочкой катушки пилота - IP65 по ГОСТ 14254. При заказе указать напряжение и род тока в соответствии с п. 9 таблицы «ТЕХНИЧЕСКАЯ ХАРАКТЕРИСТИКА». Цилиндрический золотник размещен в корпусе, который имеет каналы с резьбовыми отверстиями для подсоединения внешних пневмолиний. При подаче электрического сигнала срабатывает клапан-пилот. Золотник основного пневмораспределителя перемещается в крайнее положение. Распределители с односторонним управлением изготавливаются в нормально-закрытом (НЗ) и нормально-открытом (НО) исполнении.
Технические характеристики 3Р-4 (6;10;16)-233-3

В исходном положении золотник удерживается пружиной: - для НЗ исполнения канал питания отсечен от выходного канала (2), который соединен с атмосферным; - для НО исполнения канал питания соединен с каналом (2), атмосферный отсечен. Цифры, заключенные в скобки, соответствуют маркировке отверстий на изделии и нумерации каналов на условном графическом обозначении. Золотник перемещается из исходного положения в другое от электрического сигнала (12). При срабатывании клапана-пилота выходной канал (2), в зависимости от исполнения, соединяется с атмосферой или с каналом питания. После снятия электрического сигнала, золотник возвращается в исходное положение. При монтаже распределители крепятся двумя винтами через отверстия в корпусе.

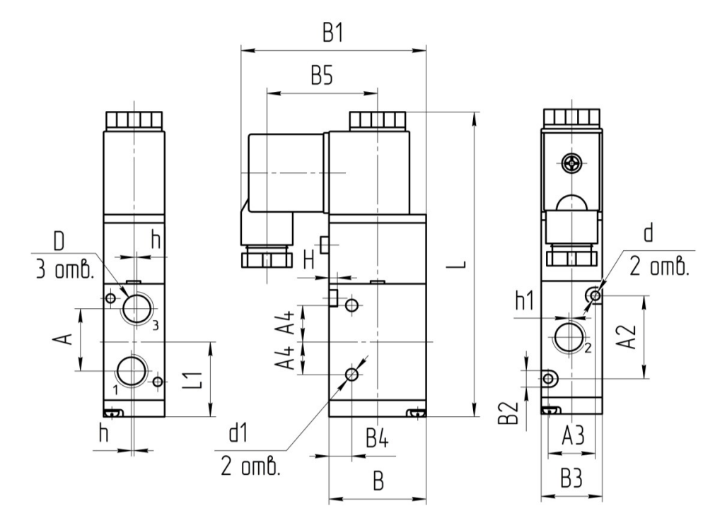
Габаритные и присоединительные размеры 3Р-4 (6;10;16)-233-3

Размеры пневмораспределителей 3Р-4 (6;10;16)-233-3




























