Пневмораспределители двухлинейные 2/2 с электропневматическим управлением, типа П-Р221А-10(16;20;25)-3
Распределители 2-х линейные, двухпозиционные 2/2 с условным проходом (Ду) 10, 16, 20, 25 мм, нормально закрытые, с электропневматическим управлением, пружинным возвратом в исходное положение имеют:
- конструкцию распределительного устройства: клапанного типа с мембраной и металлической опорной шайбой;
- присоединение: резьбовые отверстия в корпусе распределителя;
- виброустойчивость и вибропрочность II-ой степени жесткости по ГОСТ 28988.
Распределители серии П-Р221А предназначены для управления потоками сжатого воздуха, воды или минерального масла в широком спектре технологических задач. Допускается работа на сжатом воздухе, не содержащем распыленное масло.
В корпусе пневмораспределителя имеются два резьбовых отверстия для присоединения трубопроводов (направление потока сжатого воздуха указывает стрелка на корпусе).
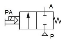
Схемное обозначение пневмораспределителей П-Р221А-(10...25)...

При подаче эл. сигнала срабатывает пилот, при этом выходной канал соединяется с каналом питания . После снятия эл. сигнала клапанный узел возвращается в исходное положение и перекрывает поток воздуха через распределитель. Пневмораспределители могут быть установлены на трубопроводе в любом пространственном положении.
Пример записи при заказе распределителя с условным проходом 16 мм, напряжением 24В постоянного тока, климатического исполнения УХЛ, категории размещения 4:
ПНЕВМОРАСПРЕДЕЛИТЕЛЬ П-Р221А-16-3 УХЛ 4 (24В,пост.)
При заказе указать напряжение и род тока в соответствии с таблицей «Технические характеристики».
Технические характеристики пневмораспределителей П-Р221А-(10...25)...

Структурная схема обозначения пневмораспределителей П-Р221А-(10...25)...

Габаритные и присоединительные размеры пневмораспределителей П-Р221А-(10...25)...




























