Технические характеристики реле давления РД-23

Реле давления предназначено для контроля давления рабочей среды (с номинальным давлением 1,0 МПа) в пневматических и смазочных системах.
Рабочая (контролируемая) среда – сжатый воздух, очищенный не грубее 10 класса загрязненности по ГОСТ 17433, или минеральное масло с кинематической вязкостью 4…400 мм2 /с с номинальной тонкостью фильтрации не грубее 13 класса чистоты по ГОСТ 17216 с температурой масла +10…+55º С.
Климатическое исполнение УХЛ и О, категория размещения 4 по ГОСТ 15150.
Виброустойчивость и вибропрочность должны соответствовать I степени жесткости по ГОСТ 28988.
Принцип работы реле давления основан на сравнении сил, возникающих от давления сжатого воздуха, передаваемых мембраной, и сил упругой деформации пружины. Если момент от силы давления, превысит момент, развиваемый пружиной, то рычаг поворачивается, кнопка микропереключателя отпускается (в исходном положении кнопка переключателя нажата), а пружина микропереключателя вызывает переключение его контактов.
При понижении контролируемого давления пружина возвращает рычаг в исходное положение, который нажимает на кнопку микровыключателя, вызывая обратное переключение его контактов.
В конструкции реле использован микропереключатель МП 2102Л (группа коммутационной износостойкости А) ТУ16-526.322-78.
Степень защиты реле от воздействия окружающей среды и степень защиты персонала от прикосновения к токоведущим частям – IР 50 по ГОСТ 14254.
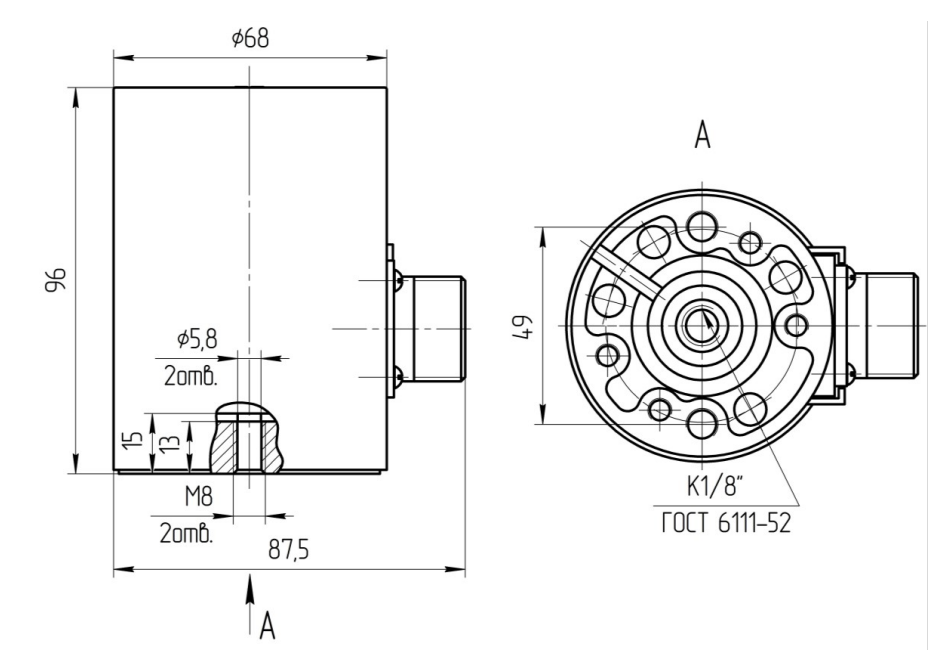
Реле давления может быть установлено в любом пространственном положении. Подключение реле давления к пневматической системе осуществляется при помощи резьбового отверстия К1/8”, при стыковом способе монтажа в расточку основания реле (Ø 20) должно быть установлено уплотнительное кольцо. Крепится реле давления на обработанной плоскости или монтажной плите двумя винтами М8.
Присоединение реле давления к электрической системе осуществляется электрическим разъемом.
Настройка реле давления осуществляется при снятом защитном кожухе путем вращения регулировочного винта. Величина настраиваемого давления контролируется манометром. По окончании настройки необходимо затянуть контргайку до отказа, после чего еще раз убедиться в правильности настройки.
Пример обозначения при заказе реле давления климатического исполнения УХЛ, категории размещения 4: РЕЛЕ ДАВЛЕНИЯ РД-23 УХЛ4
Габаритные и присоединительные размеры реле давления РД-23
Электрическая схема соединений реле давления РД-23

Самовывоз из магазина
Самовывоз бесплатно. Вы можете самостоятельно забрать оплаченный товар по адресу:
Москва, 1-й Вешняковский проезд, дом 1, строение 7 (склад- строение 8): Пн-Пт: с 10:00 до 19:00.
Курьерской службой доставки
Стоимость доставки заказа до терминала - бесплатно.
Транспортными компаниями Деловые линии ПЭК КИТ и другие - по согласованию
Доставка в любой регион РФ осуществляется транспортной компанией, присутствующей в вашем городе. По согласованию. Стоимость доставки до терминала транспортной компании - бесплатно. Оплата самой доставки Стоимость доставки товара рассчитывается, исходя из веса и объема партии поставки (по тарифам транспортно-экспедиционных компаний) и осуществляется в вашем городе при получении заказа.
После оформления заказа с вами свяжется наш менеджер, чтобы согласовать дату и время доставки. Доставка выполняется в рабочие дни с 10:00 до 19:00 часов кроме выходных и праздничных дней. Заказы, оформленные в выходные и праздничные дни, доставляются в ближайший рабочий день. День и время осуществления доставки зависит от времени оформления заказа и наличия товара на складе:
- если заказ подтвержден менеджером до 12:00, он может быть доставлен в день заказа;
- если заказ подтвержден менеджером после 12:00, он может быть доставлен на следующий рабочий день;
- вы также можете указать любые другие удобные для вас день и время доставки.
Правила
При доставке заказа вам будут переданы все необходимые документы на покупку: товарный, кассовый чеки, а также гарантийный талон. При оформлении покупки на организацию, вам будут переданы счет-фактура, а также накладная, в которой необходимо поставить печать вашей организации. Цена, указанная в переданных вам курьером документах, является окончательной, курьер не обладает правом корректировки цены. Стоимость доставки в документах на покупку выделяется отдельной графой.
Внимание!
Неправильно указанный номер телефона, неточный или неполный адрес могут привести к дополнительной задержке доставки вашего заказа! Пожалуйста, внимательно проверяйте ваши персональные данные при регистрации и оформлении заказа. Конфиденциальность ваших данных гарантируется.
Обращаем ваше внимание на то, что все технические параметры и потребительские свойства приобретаемых товаров следует уточнять у наших менеджеров до момента оформления заказа. В обязанности сотрудников Службы доставки не входит осуществление консультаций и комментариев относительно потребительских свойств заказанных товаров.
При доставке заказа проверяйте комплектность каждого товара, работоспособность, соответствие описанию на нашем сайте, также проверьте товары на наличие механических повреждений. При отсутствии претензий по поводу механических повреждений при получении товара, в дальнейшем подобные претензии не рассматриваются.
В случае вопросов, пожеланий и претензий обращайтесь к нашим менеджерам.
Мы предусмотрели несколько способов оплаты, из числа которых вы можете выбрать наиболее удобный для вас. При оформлении заказа вам будет предложен выбор способа оплаты, где вы сможете выбрать наиболее подходящий.
Безналичный расчет
Только для юридических лиц. После подтверждения заказа мы выставим вам счет на оплату. Перечисление денег может занять от 1 до 3 дней.
Оплата наличными
Оплата наличными курьеру при доставке в пределах Москвы и Московской области или самовывозе из нашего магазина.
Для совершения покупки:
- выберите товары и поместите их в корзину;
- перейдите в корзину, выберите оплату в кредит и оформите заказ;
- внесите информацию в форму онлайн-заявки и отправьте ее на проверку в банк;
- в течение нескольких минут получите ответ из банка;
- изучите условия кредитного договора и подпишите его;
- получите ваш товар;
- не забывайте своевременно вносить платежи по договору.
Покупка в кредит — это удобно. Вы можете выбрать удобный для вас срок погашения (предлагаются варианты от 3 до 24 месяцев) и размер первоначального взноса (от 0%). В подавляющем большинстве случаев банк принимает решение за 1-2 минуты. Кредитный договор оформляется непосредственно в магазине, при желании его может доставить курьер. Существует беспроцентный период, длящийся до даты внесения первого платежа. Если появится возможность, кредит можно будет погасить досрочно, дополнительная комиссия за это не взимается. Следить за параметрами кредитного договора можно в режиме онлайн — в своем личном кабинете.