Цены на блоки подготовки воздуха со встроенным манометром типа П-ФРКВ1(2) с встроенным манометром, аварийным клапаном на входе или выходе и с абсолютной тонкостью фильтрации 5 мкм (указаны без НДС)
| П-ФРКВ1(2)-6-5 |
3455 |
| П-ФРКВ1(2)-10-5 |
4893 |
| П-ФРКВ1(2)-16-5 |
4893 |
| П-ФРКВ1(2)-25-5 |
7539 |
Условное графическое обозначение блоков подготовки воздуха типа П-ФРКВ1(2) с встроенным манометром, аварийным клапаном на входе или выходе и с абсолютной тонкостью фильтрации 5 мкм

Структурная схема обозначения блоков подготовки воздуха типа типа П-ФРКВ1(2) с встроенным манометром, аварийным клапаном на входе или выходе и с абсолютной тонкостью фильтрации 5 мкм

Технические характеристики блоков подготовки воздуха типа П-ФРКВ1(2) с встроенным манометром, аварийным клапаном на входе или выходе и с абсолютной тонкостью фильтрации 5 мкм

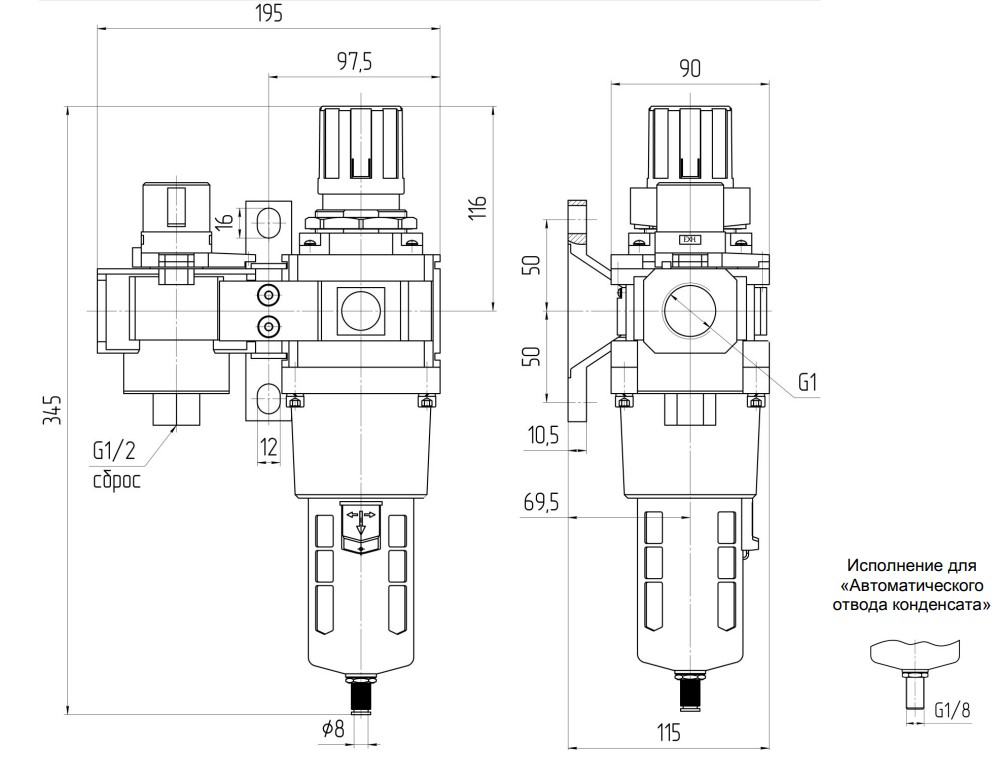
Габаритные и присоединительные размеры блоков подготовки воздуха типа П-ФРКВ1 с встроенным манометром, аварийным клапаном на входе и с абсолютной тонкостью фильтрации 5 мкм – П-ФРКВ1-6-5, П-ФРКВ1-10-5, П-ФРКВ1-16-5
.jpg)
.jpg)
Блоки подготовки воздуха П-ФРКВ2-6-5; П-ФРКВ2-10-5; П-ФРКВ2-16-5

Габаритные и присоединительные размеры блоков подготовки воздуха П-ФРКВ1-25-5 с встроенным манометром, аварийным клапаном на входе или выходе и с абсолютной тонкостью фильтрации 5 мкм
.jpg)

Габаритные и присоединительные размеры блоков подготовки воздуха типа П-ФРКВ 2 с встроенным манометром, аварийным клапаном на выходе и с абсолютной тонкостью фильтрации 5 мкм – П-ФРКВ2-25-5

Блоки подготовки воздуха со встроенным манометром, с условным проходом (Ду) 6; 10; 16; 25 мм, предназначены для очистки сжатого воздуха от капельной влаги, минерального масла, твердых частиц, удаления конденсата и автоматического поддержания величины давления на заданном уровне в пневмоприводах приводах и системах промышленного оборудования.
Присоединение: резьбовые отверстия с трубной цилиндрической резьбой в корпусе фильтра.
Рабочая среда - сжатый воздух давлением от 0,1 до 1,0 МПа очищенном не грубее 12 класса по ГОСТ 17433, а для блока тонкой очистки - 10 класса по ГОСТ 17433.
Климатическое исполнение УХЛ и О категория размещения 4 по ГОСТ 15150.
Блок состоит из фильтра-влагоотделителя центробежного действия, выполненного в общем корпусе с пневмоклапанном редукционным и аварийного клапана, установленного на входе или выходе блока, с проставкой между ними для установки крепежного кронштейна.
По отдельному заказу возможно изготовление блока с автоматическим отводом конденсата (-АО) и абсолютной тонкостью фильтрации 5 мкм (-5).
В металлическом кожухе, защищающем прозрачный стакан фильтра, имеются прорези, которые позволяют следить за уровнем накопившихся загрязнений.
В нижней части стакана блока подготовки воздуха расположено полуавтоматическое устройство для сброса конденсата, которое открывается в ручную путем нажатия снизу вверх на штуцер устройства для удаления конденсата или полуавтоматически при отсутствии давления.
Настроечное устройство блока подготовки воздуха обеспечивает плавное изменение давления на выходе в пределах всего диапазона настройки.
Рукоятка регулятора давления легко фиксируется в нужном положении путем нажатия. Блоки подготовки воздуха должны устанавливаться в местах, удобных для осмотра, обслуживания и контроля параметров, в вертикальном положении (отклонение от вертикали не более 5º), непосредственно на трубопроводе или с использованием кронштейна.
При монтаже блока подготовки воздуха стрелка на его корпусе должна совпадать с направлением движения воздушного потока.
Соответствует ТУ 4151-005-00221287-97.
Самовывоз из магазина
Самовывоз бесплатно. Вы можете самостоятельно забрать оплаченный товар по адресу:
Москва, 1-й Вешняковский проезд, дом 1, строение 7 (склад- строение 8): Пн-Пт: с 10:00 до 19:00.
Курьерской службой доставки
Стоимость доставки заказа до терминала - бесплатно.
Транспортными компаниями Деловые линии ПЭК КИТ и другие - по согласованию
Доставка в любой регион РФ осуществляется транспортной компанией, присутствующей в вашем городе. По согласованию. Стоимость доставки до терминала транспортной компании - бесплатно. Оплата самой доставки Стоимость доставки товара рассчитывается, исходя из веса и объема партии поставки (по тарифам транспортно-экспедиционных компаний) и осуществляется в вашем городе при получении заказа.
После оформления заказа с вами свяжется наш менеджер, чтобы согласовать дату и время доставки. Доставка выполняется в рабочие дни с 10:00 до 19:00 часов кроме выходных и праздничных дней. Заказы, оформленные в выходные и праздничные дни, доставляются в ближайший рабочий день. День и время осуществления доставки зависит от времени оформления заказа и наличия товара на складе:
- если заказ подтвержден менеджером до 12:00, он может быть доставлен в день заказа;
- если заказ подтвержден менеджером после 12:00, он может быть доставлен на следующий рабочий день;
- вы также можете указать любые другие удобные для вас день и время доставки.
Правила
При доставке заказа вам будут переданы все необходимые документы на покупку: товарный, кассовый чеки, а также гарантийный талон. При оформлении покупки на организацию, вам будут переданы счет-фактура, а также накладная, в которой необходимо поставить печать вашей организации. Цена, указанная в переданных вам курьером документах, является окончательной, курьер не обладает правом корректировки цены. Стоимость доставки в документах на покупку выделяется отдельной графой.
Внимание!
Неправильно указанный номер телефона, неточный или неполный адрес могут привести к дополнительной задержке доставки вашего заказа! Пожалуйста, внимательно проверяйте ваши персональные данные при регистрации и оформлении заказа. Конфиденциальность ваших данных гарантируется.
Обращаем ваше внимание на то, что все технические параметры и потребительские свойства приобретаемых товаров следует уточнять у наших менеджеров до момента оформления заказа. В обязанности сотрудников Службы доставки не входит осуществление консультаций и комментариев относительно потребительских свойств заказанных товаров.
При доставке заказа проверяйте комплектность каждого товара, работоспособность, соответствие описанию на нашем сайте, также проверьте товары на наличие механических повреждений. При отсутствии претензий по поводу механических повреждений при получении товара, в дальнейшем подобные претензии не рассматриваются.
В случае вопросов, пожеланий и претензий обращайтесь к нашим менеджерам.
Мы предусмотрели несколько способов оплаты, из числа которых вы можете выбрать наиболее удобный для вас. При оформлении заказа вам будет предложен выбор способа оплаты, где вы сможете выбрать наиболее подходящий.
Безналичный расчет
Только для юридических лиц. После подтверждения заказа мы выставим вам счет на оплату. Перечисление денег может занять от 1 до 3 дней.
Оплата наличными
Оплата наличными курьеру при доставке в пределах Москвы и Московской области или самовывозе из нашего магазина.
Для совершения покупки:
- выберите товары и поместите их в корзину;
- перейдите в корзину, выберите оплату в кредит и оформите заказ;
- внесите информацию в форму онлайн-заявки и отправьте ее на проверку в банк;
- в течение нескольких минут получите ответ из банка;
- изучите условия кредитного договора и подпишите его;
- получите ваш товар;
- не забывайте своевременно вносить платежи по договору.
Покупка в кредит — это удобно. Вы можете выбрать удобный для вас срок погашения (предлагаются варианты от 3 до 24 месяцев) и размер первоначального взноса (от 0%). В подавляющем большинстве случаев банк принимает решение за 1-2 минуты. Кредитный договор оформляется непосредственно в магазине, при желании его может доставить курьер. Существует беспроцентный период, длящийся до даты внесения первого платежа. Если появится возможность, кредит можно будет погасить досрочно, дополнительная комиссия за это не взимается. Следить за параметрами кредитного договора можно в режиме онлайн — в своем личном кабинете.