Цены на блоки кондиционирования БК1(2)-М с условным проходом (Ду) 6; 10; 16; 25 мм, манометром и аварийным клапаном на входе (1) или на выходе (2) и абсолютной тонкостью фильтрации 5 мкм (цены указаны без НДС)
| БК1(2)-М-6 |
7345 |
| БК1(2)-М-10 |
8148 |
| БК1(2)-М-16 |
8145 |
| БК(2)-М-25 |
13330 |
Условное графическое обозначение блоков кондиционирования БК1(2)-М с условным проходом (Ду) 6; 10; 16; 25 мм, манометром аварийным и клапаном на входе (1) или на выходе (2) и абсолютной тонкостью фильтрации 5 мкм

Структурная схема обозначения блоков кондиционирования типа БК1(2)-М с условным проходом (Ду) 6; 10; 16; 25 мм, манометром и аварийным клапаном на входе (1) или на выходе(2) и абсолютной тонкостью фильтрации 5 мкм

Технические характеристики блоков кондиционирования типа БК1(2)-М с условным проходом (Ду) 6; 10; 16; 25 мм, манометром и аварийным клапаном на входе (1) или на выходе(2) и абсолютной тонкостью фильтрации 5 мкм 
Габаритные и присоединительные размеры блоков кондиционирования типа БК1-М с условным проходом (Ду) 6; 10; 16 мм, манометром, аварийным клапаном на входе (1) и абсолютной тонкостью фильтрации 5 мкм – БК1-М-6-5, БК1-М-10-5, БК1-М-16-5

Габаритные и присоединительные размеры блоков кондиционирования БК1-М с условным проходом (Ду) 25 мм, с манометром, аварийным клапаном на входе и абсолютной тонкостью фильтрации 5 мкм — БК1-М-25-5

Габаритные и присоединительные размеры блоков кондиционирования типа БК2-М с условным проходом (Ду) 6; 10; 16 мм, с манометром, и аварийным клапаном на выходе и абсолютной тонкостью фильтрации 5 мкм – БК2-М-6-5, БК2-М-10-5, БК2-М-16-5

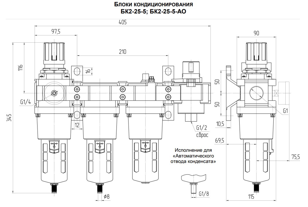
Габаритные и присоединительные размеры блоков кондиционирования БК2-М с условным проходом (Ду) 25 мм и аварийным клапаном на выходе и абсолютной тонкостью фильтрации 5 мкм – БК2-М-25-5.jpg)
Блоки кондиционирования с условным проходом (Ду) 6; 10; 16; 25 мм предназначены для подготовки воздуха в пневмоприводах и системах промышленного оборудования различного назначения.
Присоединение: резьбовые отверстия .
Рабочая среда – сжатый воздух давлением от 0,1 до 1,0 МПа очищенном не грубее 12 класса по ГОСТ 17433.
Климатическое исполнение УХЛ и О категория размещения 4 по ГОСТ 15150.
Блок кондиционирования содержит фильтрвлагоотделитель типа П-ФВ, пневмоклапан редукционный типа П-РК и маслораспылитель типа П-М, а так же аварийный клапан типа БК-…-100, который установлен на входе или выходе блока с проставками между ними для крепежных кронштейнов. Для достижения фильтрации 5 мкм, к блоку кондиционирования устанавливается дополнительный фильтрвлагоотделитель типа П-ФВ-…-5.
Из пневмосети сжатый воздух поступает во входное отверстие «ВХ» фильтра.
Для настройки давления служит винт пневмоклапана, при вращении которого устанавливается необходимое давление на выходе блока. Рукоятка винта фиксируется в нужном положении путем нажатия.
Сброс конденсата осуществляется в ручную - путем нажатия снизу вверх на штуцер устройства для удаления конденсата или полуавтоматически при отсутствии давления на выходе блока.
По отдельному заказу возможно изготовление блоков с автоматическим отводом конденсата (-АО) и абсолютной тонкостью фильтрации 5 мкм (-5).
Дроссель маслораспылителя позволяет настраивать требуемую подачу смазочного материала в пределах заданного диапазона.
Маслораспылитель следует заправлять через резьбовое отверстие, закрываемое пробкой, минеральным маслом, вязкостью не более 35мм2 /с при температуре 50°С, очищенном не грубее 14 класса чистоты по ГОСТ 17216, при отсутствии давления.
Блоки должны устанавливаться в местах, удобных для осмотра, обслуживания и контроля параметров, в вертикальном положении (отклонение от вертикали не более 5º), непосредственно на трубопроводе или с использованием кронштейна.
При монтаже блоков, стрелка на их корпусе должна совпадать с направлением движения воздушного потока.
Установка манометра производится в корпусе блока подготовки воздуха П-РК.
Уровень масла контролируется визуально и находится между рисками.
|
Пример записи при заказе блока кондиционирования с аварийным клапаном на входе, условным проходом 10 мм, присоединительной резьбой G 3/8”, климатического исполнения УХЛ, категории размещения 4
БЛОК КОНДИЦИОНИРОВАНИЯ БК1-М-10 УХЛ 4
|
Самовывоз из магазина
Самовывоз бесплатно. Вы можете самостоятельно забрать оплаченный товар по адресу:
Москва, 1-й Вешняковский проезд, дом 1, строение 7 (склад- строение 8): Пн-Пт: с 10:00 до 19:00.
Курьерской службой доставки
Стоимость доставки заказа до терминала - бесплатно.
Транспортными компаниями Деловые линии ПЭК КИТ и другие - по согласованию
Доставка в любой регион РФ осуществляется транспортной компанией, присутствующей в вашем городе. По согласованию. Стоимость доставки до терминала транспортной компании - бесплатно. Оплата самой доставки Стоимость доставки товара рассчитывается, исходя из веса и объема партии поставки (по тарифам транспортно-экспедиционных компаний) и осуществляется в вашем городе при получении заказа.
После оформления заказа с вами свяжется наш менеджер, чтобы согласовать дату и время доставки. Доставка выполняется в рабочие дни с 10:00 до 19:00 часов кроме выходных и праздничных дней. Заказы, оформленные в выходные и праздничные дни, доставляются в ближайший рабочий день. День и время осуществления доставки зависит от времени оформления заказа и наличия товара на складе:
- если заказ подтвержден менеджером до 12:00, он может быть доставлен в день заказа;
- если заказ подтвержден менеджером после 12:00, он может быть доставлен на следующий рабочий день;
- вы также можете указать любые другие удобные для вас день и время доставки.
Правила
При доставке заказа вам будут переданы все необходимые документы на покупку: товарный, кассовый чеки, а также гарантийный талон. При оформлении покупки на организацию, вам будут переданы счет-фактура, а также накладная, в которой необходимо поставить печать вашей организации. Цена, указанная в переданных вам курьером документах, является окончательной, курьер не обладает правом корректировки цены. Стоимость доставки в документах на покупку выделяется отдельной графой.
Внимание!
Неправильно указанный номер телефона, неточный или неполный адрес могут привести к дополнительной задержке доставки вашего заказа! Пожалуйста, внимательно проверяйте ваши персональные данные при регистрации и оформлении заказа. Конфиденциальность ваших данных гарантируется.
Обращаем ваше внимание на то, что все технические параметры и потребительские свойства приобретаемых товаров следует уточнять у наших менеджеров до момента оформления заказа. В обязанности сотрудников Службы доставки не входит осуществление консультаций и комментариев относительно потребительских свойств заказанных товаров.
При доставке заказа проверяйте комплектность каждого товара, работоспособность, соответствие описанию на нашем сайте, также проверьте товары на наличие механических повреждений. При отсутствии претензий по поводу механических повреждений при получении товара, в дальнейшем подобные претензии не рассматриваются.
В случае вопросов, пожеланий и претензий обращайтесь к нашим менеджерам.
Мы предусмотрели несколько способов оплаты, из числа которых вы можете выбрать наиболее удобный для вас. При оформлении заказа вам будет предложен выбор способа оплаты, где вы сможете выбрать наиболее подходящий.
Безналичный расчет
Только для юридических лиц. После подтверждения заказа мы выставим вам счет на оплату. Перечисление денег может занять от 1 до 3 дней.
Оплата наличными
Оплата наличными курьеру при доставке в пределах Москвы и Московской области или самовывозе из нашего магазина.
Для совершения покупки:
- выберите товары и поместите их в корзину;
- перейдите в корзину, выберите оплату в кредит и оформите заказ;
- внесите информацию в форму онлайн-заявки и отправьте ее на проверку в банк;
- в течение нескольких минут получите ответ из банка;
- изучите условия кредитного договора и подпишите его;
- получите ваш товар;
- не забывайте своевременно вносить платежи по договору.
Покупка в кредит — это удобно. Вы можете выбрать удобный для вас срок погашения (предлагаются варианты от 3 до 24 месяцев) и размер первоначального взноса (от 0%). В подавляющем большинстве случаев банк принимает решение за 1-2 минуты. Кредитный договор оформляется непосредственно в магазине, при желании его может доставить курьер. Существует беспроцентный период, длящийся до даты внесения первого платежа. Если появится возможность, кредит можно будет погасить досрочно, дополнительная комиссия за это не взимается. Следить за параметрами кредитного договора можно в режиме онлайн — в своем личном кабинете.