Цены на блоки кондиционирования БК1(2)-Р с условным проходом (Ду) 6; 10; 16; 25 мм, встроенным манометром, реле QPF, аварийным клапаном на входе (1) или на выходе (2) и с абсолютной тонкостью фильтрации 5 мкм (цены указаны без НДС)
| БКВ1(2)-Р-6-5 | 7928 |
| БКВ1(2)-Р-10-5 | 9996 |
| БКВ1(2)-Р-16-5 | 9996 |
| БКВ1(2)-Р-25-5 | 13200 |
Условное графическое обозначение блоков кондиционирования БК1(2)-Р с условным проходом (Ду) 6; 10; 16; 25 мм, встроенным манометром, реле QPF, аварийным клапаном на входе (1) или на выходе (2) и с абсолютной тонкостью фильтрации 5 мкм

Структурная схема обозначения блоков кондиционирования типа БК1(2)-Р с условным проходом (Ду) 6; 10; 16; 25 мм, встроенным манометром, реле QPF и аварийным клапаном на входе (1) или на выходе (2) и с абсолютной тонкостью фильтрации 5 мкм

Технические характеристики блоков кондиционирования типа БК1(2)-Р с условным проходом (Ду) 6; 10; 16; 25 мм, встроенным манометром, реле QPF, аварийным клапаном на входе (1) или на выходе (2) и с абсолютной тонкостью фильтрации 5 мкм

Габаритные и присоединительные размеры блоков кондиционирования типа БК1-Р с условным проходом (Ду) 6; 10; 16 мм, встроенным манометром, реле QPF, аварийным клапаном на входе (1) и с абсолютной тонкостью фильтрации 5 мкм – БК1-Р-6-5, БК1-Р-10-5, БК1-Р-16-5

Габаритные и присоединительные размеры блоков кондиционирования БК1-Р с условным проходом (Ду) 25 мм, с встроенным манометром, реле QPF, аварийным клапаном на входе и с абсолютной тонкостью фильтрации 5 мкм — БК1-Р-25

Габаритные и присоединительные размеры блоков кондиционирования типа БК2-Р с условным проходом (Ду) 6; 10; 16 мм, встроенным манометром, реле QPF, аварийным клапаном на выходе (2) и с абсолютной тонкостью фильтрации 5 мкм – БК2-Р-6, БК2-Р-10, БК2-Р-16
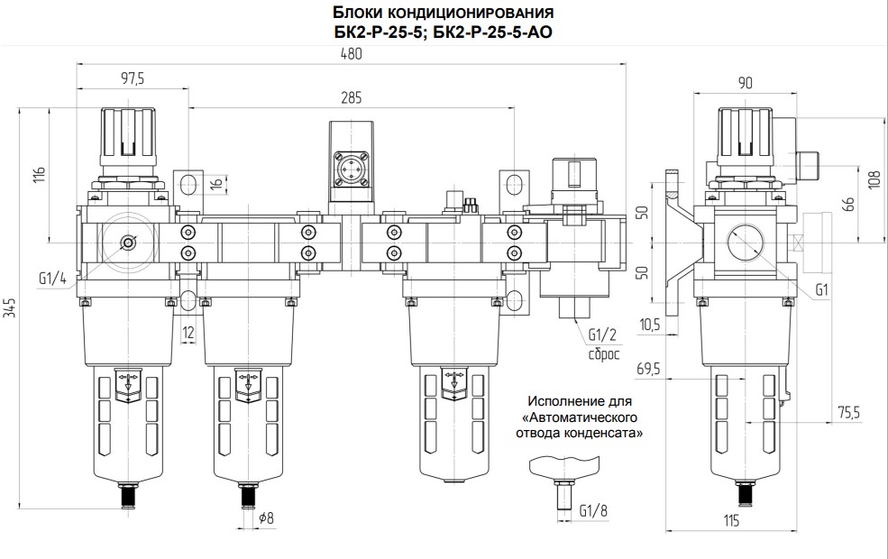
Габаритные и присоединительные размеры блоков кондиционирования БК2-Р с условным проходом (Ду) 25 мм, реле QPF, аварийным клапаном на выходе и с абсолютной тонкостью фильтрации 5 мкм – БК2-Р-25-5

Блоки кондиционирования с условным проходом (Ду) 6; 10; 16; 25 мм предназначены для подготовки воздуха в пневмоприводах и системах промышленного оборудования различного назначения.
Присоединение: резьбовые отверстия с трубной цилиндрической резьбой в корпусе фильтра.
Рабочая среда – сжатый воздух давлением от 0,1 до 1,0 МПа очищенном не грубее 12 класса по ГОСТ 17433.
Климатическое исполнение УХЛ и О категория размещения 4 по ГОСТ 15150.
Блок кондиционирования содержит блок подготовки воздуха типа П-ФРКВ, маслораспылитель типа П-М, , реле давления типа РД-4/25М-10, аварийный клапан типа БК-…-100, который установлен на входе или выходе блока с проставками для крепежных кронштейнов.
Для достижения фильтрации 5 мкм, к блоку кондиционирования устанавливается дополнительный фильтр-влагоотделитель типа П-ФВ-…-5.
Реле давления позволяет получить электрический сигнал на отключение при понижении давления ниже заданного уровня или на включение при повышении давления в системе до заданного уровня.
Аварийный клапан позволяет перекрыть подачу сжатого воздуха в систему.
Из пневмосети воздух подводится к отверстию «ВХ» аварийного клапана или блока подготовки воздуха П-ФРКВ, который состоит из фильтравлагоотделителя, выполненного в общем корпусе с пневмоклапаном редукционным.
Рукоятка регулятора давления легко фиксируется в нужном положении путем нажатия.
В нижней части стакана блока подготовки воздуха расположено полуавтоматическое устройство для сброса конденсата, открываемое в ручную или автоматически при отсутствии давления.
По отдельному заказу возможно изготовление блоков с автоматическим отводом конденсата (-АО).
Дроссель маслораспылителя позволяет настраивать требуемую подачу смазочного материала в пределах заданного диапазона. Маслораспылитель следует заправлять через резьбовое отверстие, закрываемое пробкой, минеральным маслом, вязкостью не более 35мм2 /с при температуре 50°С, очищенном не грубее 14 класса чистоты по ГОСТ 17216, при отсутствии давления.
В кожухах, защищающих прозрачные стаканы блока, имеются прорези, которые позволяют следить за уровнем накопившихся загрязнений или смазочного материала.
Блоки должны устанавливаться в местах, удобных для осмотра, обслуживания и контроля, в вертикальном положении (отклонение не более 5º), непосредственно на трубопроводе или с использованием кронштейна. При монтаже блоков кондиционирования, стрелка на их корпусе должна совпадать с направлением движения воздушного потока.
Установка манометра производится в корпусе блока подготовки воздуха П-ФРК.
Уровень смазочного материала должен контролироваться визуально и находиться между красными рисками.






























Позвоните нам
Напишите нам
Дата доставки
Официальная
Оплата наличными, картами через терминал,
Самовывоз со склада - бесплатно.